Nauji produktai
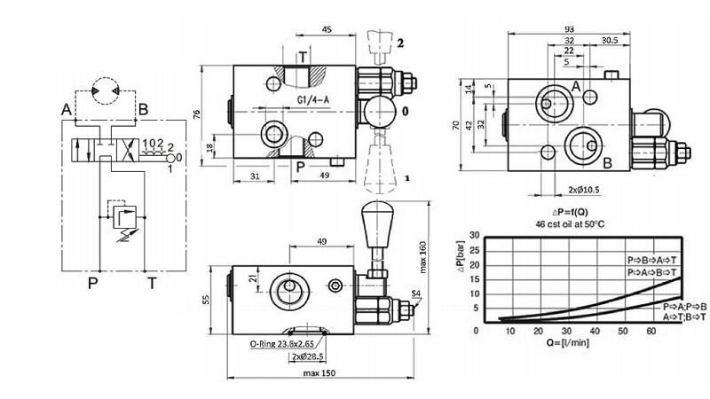
MANUALUS VOŽTUVAS HIDRAULINIAM VARIKLIUI MS UŽDARYTO CENTRO - 50LIT
Aprašymas:
Manualus vožtuvas montuojamas tiesiai ant hidraulinio variklio ir tarnauja jo valdymui tiesiogiai ant hidraulinio variklio.
Vožtuvo svirtis leidžia įjungti ir išjungti, taip pat keisti hidraulinio variklio sukimosi kryptį.
Vožtuvas 'ATVIRO CENTRO'- Neutralioje padėtyje hidraulinis variklis nesukasi. Jis nėra hidrauliškai varomas, tačiau hidraulinio variklio ašis gali suktis su savo inercija arba apkrovos inercija.
Dažniausiai naudojamas taikymuose, kur norime, kad pavaros sustotų su apkrovos inercija arba turėtume galimybę savarankiškai suktis - hidraulinis variklis.
Vožtuvas 'UŽDARYTO CENTRO'- Neutralioje padėtyje hidraulinis variklis sukasi, tai reiškia, kad apkrovos inercija negali jo sukti.
Dažniausiai naudojamas taikymuose, kur norime, kad pavaros sustotų iš karto ir liktų nejudančios po to, kai pavaros - hidraulinis variklis yra išjungtas.






