Nya produkter
MULTIPLIKATOR GR.3 - 1:3 - HANANSLUTNING
| Teknisk information | |
| Leverantör: | Kina |
| Retur eller byte: | 14 dagar |
| Garanti: | 6 månader |
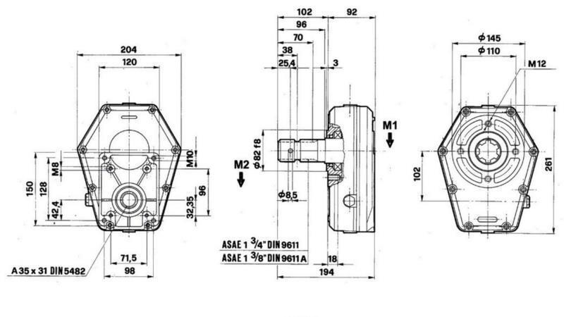
| Växelutväxling: | 1:3 |
| För hydrauliska pumpar: | GR. 3 |
| Anslutning: | PTO-axel – 1" 3/8 – 6-kantig (han) |
| Ingångshastighet: | 540 rpm |
| Ingångsvridmoment: | 49 daNm |
| Utgångshastighet: | 1620 rpm (max. 3000 rpm) |
| Utgångsvridmoment: | 16 daNm |
| Belastning: | upp till 20 kW |
| Produktvikt: | 8,3 kg |
| Växellådsolja: | SAE 90 olja |
MÅTT

ANVISNINGAR FÖR ANVÄNDNING
1. Avsedd användning
Växellådan är en mekanisk koppling som ökar rotationshastigheten på utgående axel och möjliggör drift av en hydraulisk kugghjulspump via traktorens PTO-axel.
Den används för att driva:
- hydrauliska kraftenheter,
- skogsvinschar,
- vedklyvar,
- annan hydraulisk utrustning.
2. Monteringsläge
Växellådan måste monteras i korrekt driftläge för att säkerställa korrekt smörjning av kugghjulen. En horisontell installation rekommenderas, så pumpen och växellådan bör vara i horisontellt läge.
Viktigt:
- växellådan måste alltid installeras så att oljan inuti huset är i kontakt med kugghjulen,
- långvarig drift i omvänt läge är inte tillåten,
- växellådan måste vara mekaniskt stödd (den får inte hänga endast på PTO-axeln).
3. Rotationsriktning
Innan installation, kontrollera rotationsriktningen på PTO-axeln och den önskade rotationsriktningen för den hydrauliska pumpen.
Fel rotationsriktning kan orsaka pumpfel, tätningsskador och dålig oljecirkulation.
4. Oljesmörjning
Växellådan måste kontinuerligt smörjas med olja inuti huset för att säkerställa korrekt funktion av kugghjulen. Rekommenderad smörjolja är växellådsolja SAE 90.
Växellådan måste fyllas med olja upp till kontrollnivån.
Innan första användning, ta bort påfyllningspluggen, fyll enheten med olja upp till nivåmarkeringen och stäng pluggen.
Kontrollera oljenivån före varje användning. Första oljebyte rekommenderas efter 50 driftstimmar, därefter var 1500:e timme eller en gång per år.
5. Driftstemperatur
Normalt driftstemperaturområde för växellådshuset är mellan 50 och 80 °C. Om den överstiger 90 °C, kontrollera oljenivån, belastning och inriktning.
6. Underhåll och möjliga problem
| Problem | Möjlig orsak | Lösning |
| Överhettning | Otillräcklig oljenivå | Kontrollera oljenivån |
| Ljud | Slitna lager | Service |
| Vibrationer | Felaktig inriktning | Kontrollera installationen |
| Oljeläckage | Skadad tätning | Byt tätningsring |









