Nauji produktai
PAVARŲ DĖŽĖ GR.3 -1:3 Vyras
Produkto kodas:
10925
OEM:
9990000008445
Mokesčių tarifas
22 %
Kaina be PVM:
139,34 EUR
Kaina su PVM:
170,00 EUR
Ref:
28
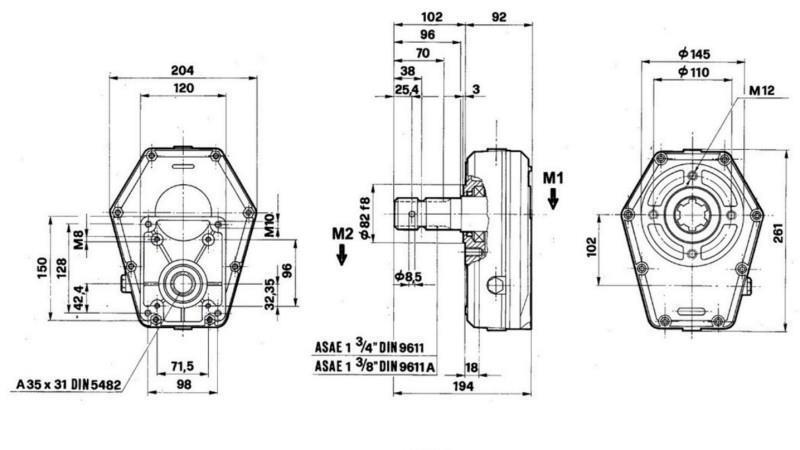
Naudojimas
Pavarų dėžė naudojama padidinti pavarų siurblio apsukas ir atitinkamai padidinti paties siurblio srautą.
Dažniausiai naudojama medienos skaldytuvams, traktorių krautuvams ir kitiems traktorių priedams.
Pagrindinė versija yra vyriška su jungtimi per kardano, ir moteriška versija su kaiščiu tiesioginiam montavimui ant traktoriaus kardano.

Tiekėjas:
Italija
Grąžinimas arba keitimas:
14 dienų
Jungtis:
vyr. - 1" 3/8
Sukimai:
max. 3000 rpm
Įėjimo sukimo momentas:
49 daNm
Išėjimo sukimo momentas:
16 daNm
Produkto svoris:
8.1 kg
Įėjimo RPM:
540 rpm
Išėjimo RPM:
1620 rpm
Perdavimo santykis:
1:3
Garantija:
6 mėnesiai
darbo temperatūra:
nuo -20 iki +180°C
Kroviniams:
20 kW










