Nauji produktai
MINI HIDRAULINIS JĖGOS BLOKAS 12V DC - 1.6kW = 2.1cc - 8 lit - 2x bidirekcinių įrenginys (metalinis)
Produkto kodas:
11286
OEM:
9990000017522
Mokesčių tarifas
22 %
Kaina be PVM:
383,61 EUR
Kaina su PVM:
468,00 EUR
Ref:
14
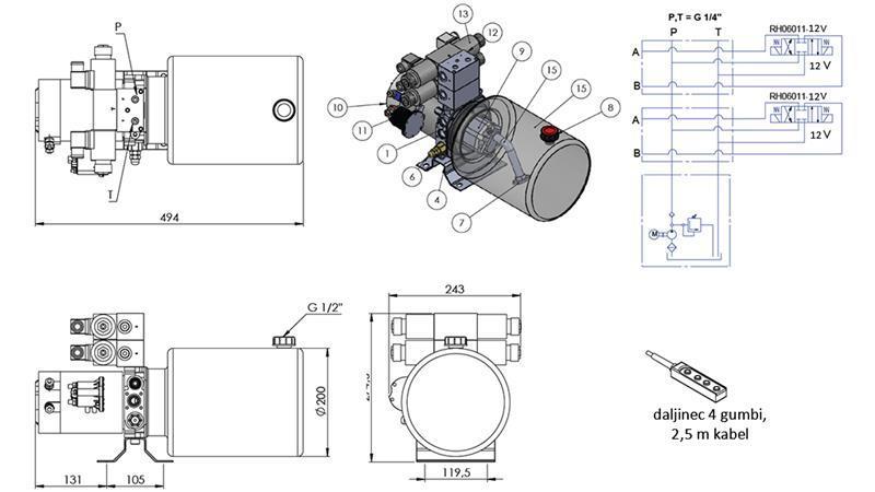
| Techniniai duomenys | |
| Tiekėjas: | Turkija |
| Variklio galia: | 1.6 kW |
| Siurblio srautas: | 2.1 cc |
| Agregato srautas: | 5.6 lit/min |
| Rezervuaro tūris: | 8 litrai |
| Maks. darbinis slėgis: | 155 bar |
| Grąžinimas arba keitimas: | 14 dienų |
| Apsisukimai: | 2500 rpm |
| Įtampa: | 12 V |
Aprašymas:
Mini hidrauliniai agregatai yra savarankiški įrenginiai. Jie veikia naudodami elektros variklį, kuris sukuria hidraulinį slėgį, reikalingą varikliams, cilindrams, keltuvams, hidrauliniams cilindrams ir kitoms sistemoms.
Jungimo schema


- Akumuliatoriaus neigiamas (−) polius jungiamas prie DC variklio neigiamo (−) poliaus (mėlynas).
- Akumuliatoriaus teigiamas (+) polius jungiamas prie dešiniojo kontaktoriaus varinio gnybto.
- Kontaktoriaus kabelis jungiamas tarp DC variklio teigiamo (+) poliaus (raudonas) ir kairiojo kontaktoriaus varinio gnybto. Sujungti dviejų laidų kabeliai jungiami prie vožtuvo gnybtų.
- Keturių laidų kabelis su jungtimi jungiamas prie DC variklio neigiamo (−) poliaus.
- Geltonas kabelis jungiamas prie kontaktoriaus varinio gnybto.
- Vienas juodas kabelis jungiamas prie kontaktoriaus pilko gnybto.
- Terminis kabelis jungiamas prie kontaktoriaus pilko gnybto, esančio arčiau variklio.









