Nauji produktai
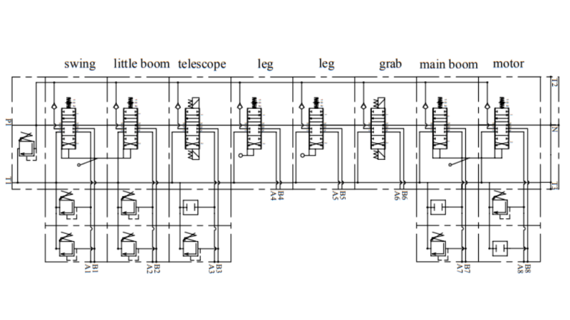
HIDRAULINIS VOŽTUVAS HIAB 8XPC70 + 2X JOYSTICK - ELEKTRINIS VALDYMAS 12V
Produkto kodas:
12510
OEM:
9990000073139
Mokesčių tarifas
22 %
Kaina be PVM:
967,21 EUR
Kaina su PVM:
1.180,00 EUR
Ref:
11
| Techninė informacija | |
| Tiekėjas: | Bulgarija |
| Grąžinimo ar keitimo terminas: | 14 dienų |
| Garantija: | 6 mėnesiai |
| Nominalus alyvos srautas: | 70 l/min |
| Maksimalus alyvos srautas: | 80 l/min |
| Darbo temperatūros diapazonas: | nuo -20 °C iki +60 °C |
| Jungties sriegis: | A, B ir P anga 1/2", T anga - 3/4" |
| Maksimalus slėgis: | P anga – 250 barų, T anga - 50 barų, A ir B anga – 300 barų |
| Apskritimai: |
12/24 V - 60 W (įjungta/išjungta) |
| Svoris: |
32,3 kg |
Aprašymas
PC70 yra modulinis (segmentinis) vožtuvas, sukurtas naudoti miško priekabose su kranu (HIAB). Jis leidžia tiek mechaninį, tiek elektroninį valdymą. Hidraulinis vožtuvas susideda iš aštuonių sekcijų.











