Nauji produktai
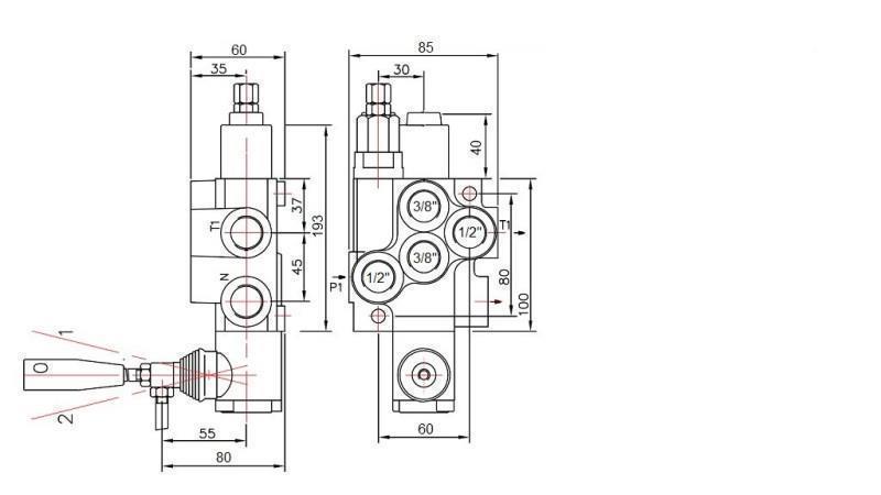
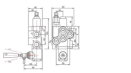
RANKINIS HIDRAULINIS VOŽTUVAS MONOBLOKINIS 1xZ50 + VIENPUSIO VEIKIMO C1
Bendra aprašymas:
Rankinis arba mechaninis hidraulinis vožtuvas Р40 skirtas darbo srauto paskirstymui ir valdymui tarp hidraulinio siurblio ir vartotojų (cilindrų, hidraulinių variklių…).
Hidrauliniai vožtuvai naudojami įvairiems tikslams žemės ūkyje, pramonėje, statyboje ir kt. valdyti:
- vienpusiai cilindrai
- dvipusiai cilindrai
- hidrauliniai varikliai
- plūduriuojančios funkcijos (dirbant su plūgu)
- joystick'ai (aukštyn-žemyn, kairė-dešinė)
Jie surenkami į bloką nuo 1 iki 7 svirčių.
Veikimas:
Visi hidrauliniai vožtuvai yra aprūpinti saugos vožtuvu. Neutralioje padėtyje (svirtys viduryje) alyva cirkuliuoja per vožtuvą. Kai svirtys perkeliamas į vieną ar kitą pusę, hidraulinis vožtuvas sukelia cilindro judėjimą arba hidraulinio variklio sukimąsi viena ar kita kryptimi. Atleidus svirtys, jis automatiškai grįžta į neutralų padėtį, hidraulinis variklis arba cilindras sustoja dabartinėje padėtyje, o alyva vėl cirkuliuoja per vožtuvą. Galima naudoti vadinamąjį 'uždaro centro' elementą, kuris pakeičia vožtuvą taip, kad neutralioje padėtyje alyva necirkuotų per vožtuvą arba toks vožtuvas nebebūtų pralaidus. Naudojant arba prijungiant kitus vožtuvus, būtina naudoti 'perdavimo' elementą, kuris leidžia tiekti alyvą kitiems vožtuvams.
Vožtuvams su sraigteliais plūduriuojančiai funkcijai, tai leidžia cilindrui laisvai tekėti alyvą, kas reiškia, kad cilindras juda laisvai (arba sniego plūgas prisitaiko prie reljefo).
Vožtuvai su sraigteliais vienpusiams cilindrams yra skirti vienpusiams cilindrams.
Statyba:
Р40 yra monoblokinis paskirstymo vožtuvas. Jis pagamintas iš ketaus EN-GJL300. Sraigteliai pagaminti iš anglinio plieno ir yra padengti kietu chromu.
Jungtys:
Sraigtelis yra prisukamas dviem M8 varžtais.







