Nauji produktai
HIDRAULINIS SIURBLYS GR.3 55 CC KAIRĖS - PRIEKINĖ
Produkto kodas:
11040
OEM:
9990000009596
Mokesčių tarifas
22 %
Kaina be PVM:
127,05 EUR
Kaina su PVM:
155,00 EUR
Ref:
13

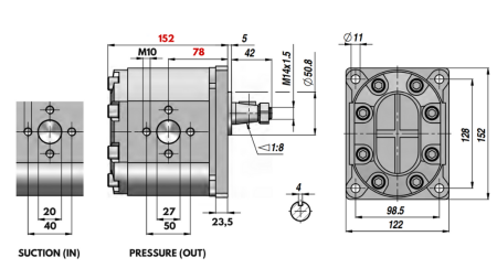
Srautas (L/min) | Darbo Slėgis (bar) | Maks. Slėgis (bar) | RPM | A (mm) | B (mm) |
34 | 200 | 250 | 3000 | 137 | 69.8 |
39 | 141 | 71.8 | |||
43 | 2800 | 143.5 | 73 | ||
46 | 2400 | 146.5 | 74 | ||
51 | 149.5 | 76 | |||
55 | 152 | 78 |
Tiekėjas:
Ispanija
Sukimosi kryptis:
kairė
Darbo slėgis:
200 bar
Grąžinimas arba keitimas:
neįmanoma
slėgio išleidimo sriegio skersmuo:
50 mm
siurbimo angos sriegio skersmuo:
40 mm
maks. srovės slėgis:
250 bar
max. RPM:
2400 rpm
Srautas:
55 (L/min)










