Nové položky
UHLOVÁ PREVODOVKA TB-19J 1,46:1 (23HP-16,9kW)
Kód
100140
OEM
9990000024728
Sadzba dane
22 %
Cena bez DPH:
168,03 EUR
Cena s DPH
205,00 EUR
Ref:
19
Vrátenie alebo výmena:
14 dní
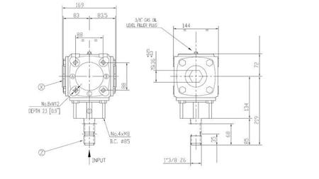
otáčanie reduktora:
ľavá/pravá (v závislosti od inštalácie reduktora)
kód výrobcu:
9.259.871.20
Zaťaženie:
23 HP (16.9 kW)
typ reduktora:
TB-19J (uhlový prevod)
mazivo:
olej SAE 90 1.0 litra musí byť pridaný do reduktora.
vstupná hriadeľ:
kardan (1”3/8 – 6 zubov)


.jpg)
.jpg)
.jpg)




