Nové položky
RUČNÝ VENTIL PRE HYDROMOTOR MS OPEN CENTER - 50lit
Kód
13096
OEM
9990000087488
Sadzba dane
22 %
Cena bez DPH:
151,64 EUR
Cena s DPH
185,00 EUR
Ref:
1
Dodávateľ:
Španielsko
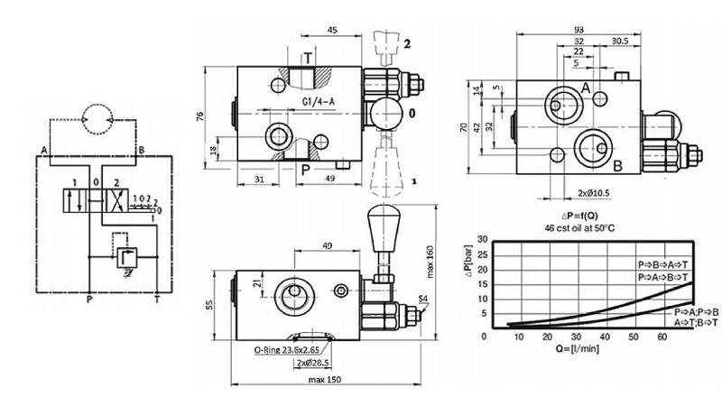
max. pracovný tlak:
180 bar
Vrátenie alebo výmena:
14 dní
Pripojenie:
P a T - 1/2"
Hmotnosť produktu:
1,1 kg
Záruka:
6 mesiacov
Max. prietok:
50 l/min
max. tlak:
250 bar






