Nya produkter
DRIVMEKANISM FÖR HYDRAULISK PUMP - ISUZU HINO MEKANIK
Produktkod:
12893
OEM:
9990000081264
Skattesats
22 %
Pris utan moms:
2.719,50 SEK
Pris med moms:
3.317,79 SEK
Ref:
1
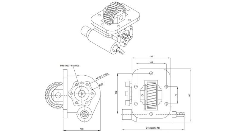
Beskrivning:
Drivmekanismer är lämpliga för lastbilar där det finns behov av att installera en hydraulisk pump. Det är möjligt att installera en pump av gjutjärn av typen:
ISO (pump för fäste med tre (3) skruvar)
UNI (pump för fäste med fyra (4) skruvar)
Lämplig för växellådor av typen:
33111-2065 / 08 V 0484 / 07 L 108 / LE 05 S / LH 06 S
Lämplig för fordon: Isuzu
HINO L 100 / FB 112 SA 11 YO563
Leverantör:
Turkiet
Typ:
ISO (3 skruvar)
Retur eller byte:
14 dagar
vridmoment:
182.4 Nm
kontroll:
mekanisk
Varv:
600 rpm
Produktvikt:
11 kg
Garanti:
6 månader
montering:
vänster
Last:
15.4 Hp (11.5 kW)
överföringsförhållande:
1:1.28






