Produse Noi
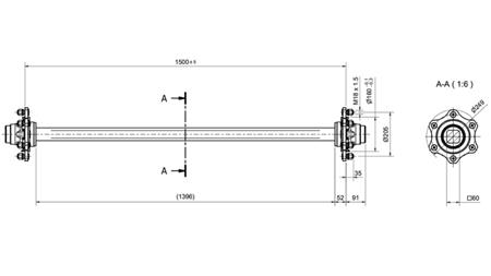
AX PENTRU REMORCĂ FĂRĂ FRÂNE (6 ȘURUBURI) - 4800 kg - 1500 mm
Cod produs:
100408
OEM:
9990000047949
Rata impozitului
22 %
Preț fără TVA:
1.002,02 RON
Preț cu TVA:
1.222,46 RON
Ref:
17
| Informații tehnice | |
| Furnizor |
Italia |
| Returnare sau schimb |
14 zile |
| Garanție |
6 luni |
| Capacitate de încărcare |
până la 4800 kg |
| Lățime |
1500 mm |
| Număr de șuruburi |
6 |
Descriere
Axa remorcii cu frână este proiectată pentru utilizare sigură și fiabilă la sarcini de până la 4800 kg.
Este disponibilă cu un butuc cu 6 șuruburi, permițând utilizarea jantelor standard corespunzătoare. Datorită construcției robuste, este potrivită pentru remorci de marfă, agricole și industriale, precum și pentru alte soluții de transport unde stabilitatea și frânarea fiabilă sunt esențiale.
Axa este proiectată pentru o durată lungă de funcționare și o montare ușoară pe diverse tipuri de remorci.
.png)


.jpg)
.jpg)

