Nowe produkty
SIŁOWNIK HAMULCA POWIETRZNEGO - MEMBRANA 100 MM
Kod produktu:
13647
OEM:
9990000099726
Stawka podatkowa
22 %
Cena bez VAT:
221,74 PLN
Cena z VAT:
270,53 PLN
Ref:
15
Opis:
Uniwersalny siłownik hamulca tłokowego zaprojektowany do hamowania pneumatycznego. Używany w przyczepach rolniczych, ogrodniczych, leśnych oraz budowlanych, ciężarówkach, rozsiewaczach, cysternach na gnojowicę, opryskiwaczach i innym sprzęcie, który ma pneumatyczny system hamulcowy.
Kompatybilny z przyczepami :
Tehnostroj, DAF, Krone, Scania, RVI, MB, MAN, Autosan Sanok: D-35 , D-47 , D-50 D-732 , HL 8011 , HL 6011.
Dostawca:
Polska
Zwrot lub wymiana:
14 dni
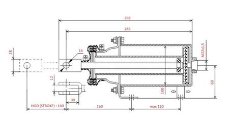
wymiary rozstawu otworów montażowych:
120 mm / fi 13 mm
Waga produktu:
3.050 kg
Gwarancja:
6 miesięcy
Gwint:
M22x1.5
średnica:
100 mm
Skok cylindra:
140 mm







