Novi artikli
OSOVINA ZA PRIKOLICO BREZ ZAVOR (4 VIJAKI) - 950 kg - 1000 mm
Šifra:
13210
OEM:
9990000091584
Stopnja davka
22 %
Cena brez DDV:
61,48 EUR
Cena z DDV:
75,00 EUR
Ref:
11
Opis
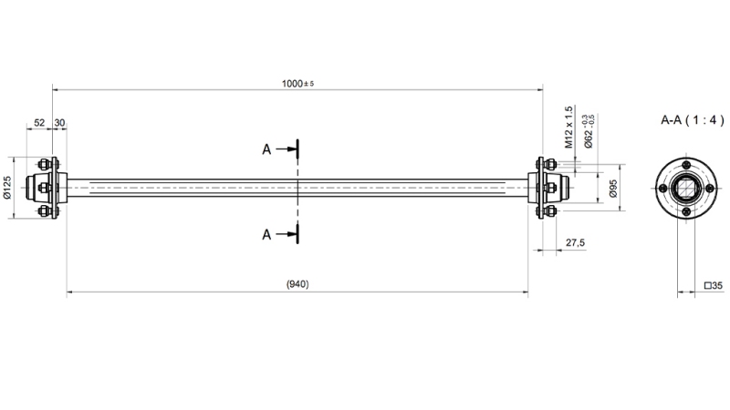
Osovina za prikolico brez zavor z nosilnostjo do 950 kg je zanesljiva in robustna rešitev za lahke in srednje prikolice. Opremljena je s pestom na 4 vijake, kar omogoča uporabo standardnih platišč ter enostavno zamenjavo. Zaradi dolžine 1000 mm je primerna za širok spekter prikolic za tovor, kmetijsko rabo, vrtna opravila ali transport opreme.
Kakovostna izdelava zagotavlja dolgo življenjsko dobo, stabilno vožnjo in varno uporabo pri vsakodnevnih obremenitvah. Osovina je namenjena prikolicam brez zavor.
 - dimenzije.png)
Število vijakov:
4
Dobavitelj:
Italija
Nosilnost:
do 950 kg
Širina:
1000 mm
Vračilo ali menjava:
14 dni
Garancija:
6 mesecev


.jpg)
.jpg)


