Nye artikler
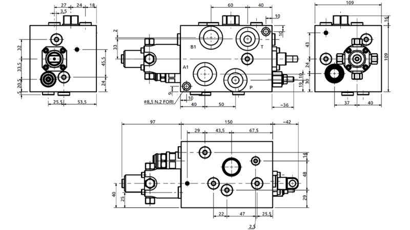
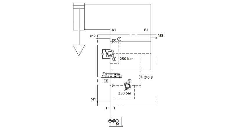
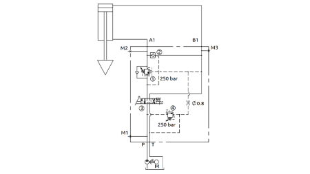
HYDRAULISK VENTIL FOR KUBBEKUTTER STOR BLOKK - AUTOSPEED 150 LIT
Kode:
100684
OEM:
9990000077052
Skattesats
22 %
Pris uten MVA:
2.913,88 NOK
Pris med MVA:
3.554,93 NOK
Ref:
2
| Teknisk informasjon | |
| Leverandør: | Italia |
| Retur eller bytte: | 14 dager |
| Garanti: | 6 måneder |
| Produktvekt: | 5,8 kg |
| Tilkoblingstråd: | 3/4" |
| Trykk: | maks. 300 bar |
| Nominelt trykk: | 250 bar |
| Olje gjennomstrømning: | opptil 100 l/min |
| Materiale: | Aluminium (hus) |
| Leverandørkode: | A600050.27.00 |








