Neue Artikel
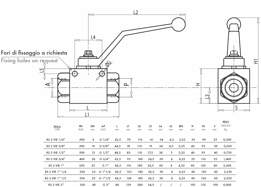
HYDRAULISCHER ABSPERRHAHN RS2 3/8 - 500BAR - 35 lit
Artikel Nummer
10339
OEM:
9990000002740
Steuersatz
22 %
Preis exklusive Mehrwertsteuer:
17,21 EUR
Preis inklusive Mehrwertsteuer:
21,00 EUR
Ref:
123
Verwendung:
Ventil wird zu der Eröffnung und Absperrung von Öldurchfluss im Hydrauliksystemen verwendet, auch unter Volldruck.
Material:
Gehäuse: Metall, verzinkt
Dichtung: Buna N standard und POM Dichtungen
Anschluss:
Schließen sie »A« und »P« ins Öl Stromkreis an, wo sie Öldurchfluss blockieren oder öffnen. Ölstrom ist unterbrochen, wen der Hebel
im 90° Position steht, und offen, wen der Hebel parallel mit dem Ventil ist.
Lieferant:
Italien
Max. Druck:
500 bar
Rückerstattung oder Umtausch:
14 Tagen
Produkt gewicht:
0,650 kg
Garantie:
6 Monate
Max. Druck:
500 bar






