Új termékek
HIDRAULIKUS SZIVATTYÚ 00C1X033 GR.0 - 1cc - JOBB
Kód:
14757
OEM:
9990000178865
Adó mértéke
22 %
Ár áfa nélkül:
23.602,25 HUF
Ár áfával:
28.794,75 HUF
Ref:
0
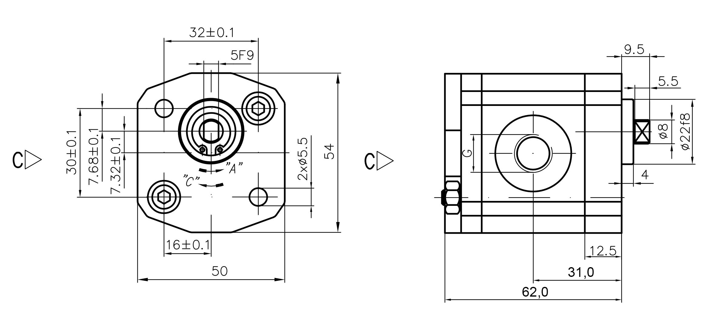
| Műszaki információk | |
| Szállító: | Törökország |
| Visszaküldés vagy csere: | Nem lehetséges |
| Garancia: | 6 hónap |
| Modell: | 00C1X033 |
| Forgásirány: | Jobb (C) |
| Űrtartalom: | 1 cm3/fordulat |
| Méret: | GR.0 |
| Fordulatszám: | max. 3500 ford/perc |
| Csatlakozó menet: | 1/4" (bejövő és kimenő) |
| Névleges nyomás: | 200 bar |
| Átfolyási sebesség: | 1,4 l/perc 1500 ford/perc mellett, 3,2 l/perc max. ford/perc mellett |
Leírás
A hidraulikus szivattyúk minden hidraulikus rendszer kulcsfontosságú elemei, mivel a mechanikai energiát hidraulikus energiává alakítják. Számos alkalmazásban használatosak, például mezőgazdasági gépekben, építőipari berendezésekben, ipari eszközökben és szállítórendszerekben.
Ajánlatunkban kiváló minőségű fogaskerék hidraulikus szivattyúkat talál különféle méretekben (GR), űrtartalomban és kivitelezésben, biztosítva a megbízható működést, hosszú élettartamot és egyszerű beszerelést. Stabil olajáramlást, magas hatékonyságot és minimális veszteségeket biztosítanak, hozzájárulva a teljes rendszer optimális teljesítményéhez.
Méretek










