Novi artikli
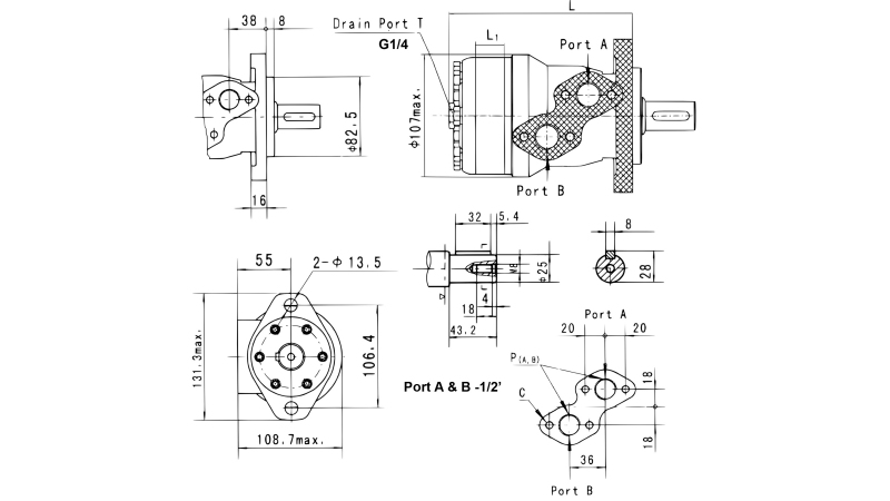
HIDROMOTOR MR 250 ECO (ALSG2-L-250)

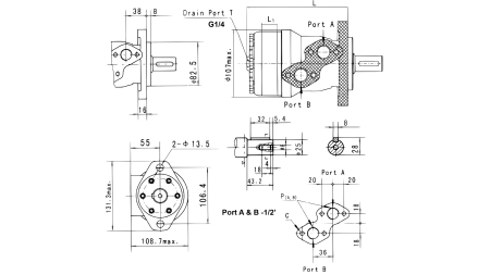
OPIS - HIDROMOTORJI MR ECO
Hidromotorji tipa MR so kompaktni, robustni in zanesljivi z orbitalno konstrukcijo. Zaradi enostavne zasnove in visoke učinkovitosti so primerni za široko paleto aplikacij.
ECO različica ohranja standardno kakovost in zanesljivost, hkrati pa je cenovno dostopnejša, ker nastaja pri preverjenih proizvajalcih brez pribitka na blagovno znamko.
Odlikuje jih:
-
visoka delovna prostornina ob nizkih hitrostih,
-
enakomerno in tiho delovanje,
-
dolga življenjska doba zaradi kakovostnih materialov in tesnil,
-
možnost delovanja v različnih smereh vrtenja,
-
nizka poraba olja glede na izhodno moč,
-
ECO izvedba: enaka kakovost in zmogljivost po nižji ceni.
Uporabljajo se predvsem v kmetijski, gozdarski in gradbeni mehanizaciji, pa tudi v industriji, kjer je potrebna zanesljiva in učinkovita pretvorba hidravlične energije v mehansko gibanje – zdaj še z večjim poudarkom na trajnostni rabi energije.

|
L |
L1 |
|
|
(mm) |
(mm) |
|
|
MR 50 ECO |
140 |
10 |
|
MR 80 ECO |
146 |
16 |
|
MR 100 ECO |
150 |
20 |
|
MR 125 ECO |
155 |
25 |
|
MR 160 ECO |
161,5 |
30,5 |
|
MR 200 ECO |
170 |
38,1 |
|
MR 250 ECO |
180 |
50 |
|
MR 315 ECO |
192 |
62 |
|
MR 400 ECO |
204 |
74 |


-1.png)







