Novi artikli
HIDRAVLIČNI KRMILNI VENTIL 2xP90 L/min LOAD SENSING
Šifra:
13989
OEM:
9990000154968
Stopnja davka
22 %
Cena brez DDV:
348,36 EUR
Cena z DDV:
425,00 EUR
Ref:
13

Informativen izračun ob nakupu na obroke
polog0,00 EUR
3 × 154,22 EUR
polog0,00 EUR
6 × 77,98 EUR
polog0,00 EUR
12 × 39,86 EUR
polog0,00 EUR
24 × 20,82 EUR
polog0,00 EUR
36 × 14,49 EUR
polog0,00 EUR
48 × 11,34 EUR
Opis:
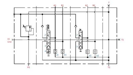
Hidravlični krmilni ventil s funkcijo load sensing se uporablja za krmiljenje čelnega nakladača. Ima dve sekciji, ki omogočata nadzorovanje dvosmernih hidravličnih cilindrov. Krmilni ventil povežemo z joystickom - load sensing funkcijo.
Dobavitelj:
Španija
Max. delovni tlak:
250 bar
Vračilo ali menjava:
14 dni
Teža izdelka:
13,50 kg
Nazivni pretok:
90 l/min
Garancija:
6 mesecev
povratni tlak :
max. 10 bar







