Νέα προϊόντα
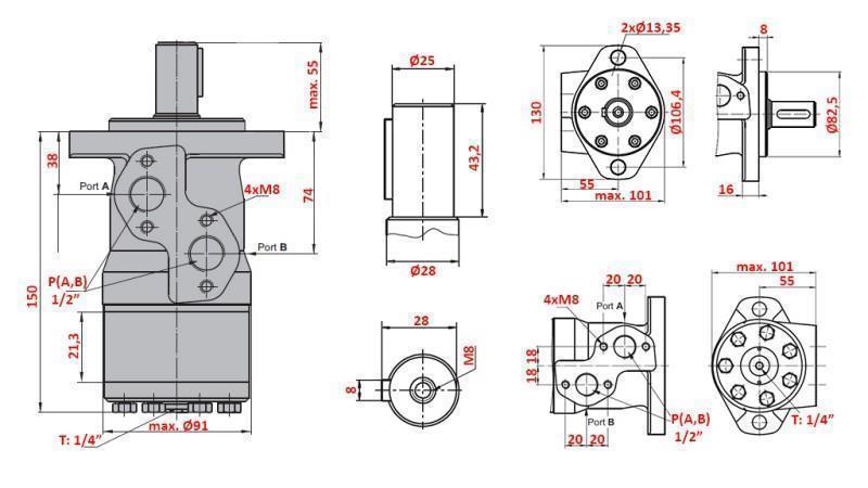
ΥΔΡΑΥΛΙΚΟΣ ΚΙΝΗΤΗΡΑΣ MP 160
| Τεχνικά δεδομένα | |
| Προμηθευτής: | Βουλγαρία |
| Επιστροφή ή ανταλλαγή: | 14 ημέρες |
| Εγγύηση: | 6 μήνες |
| Βάρος: | 6,4 kg |
| Εύρος θερμοκρασίας: | από -40 °C έως 140 °C |
| cm³ ανά περιστροφή: | 158,4 |
| Στροφές: | σταθερές στροφές 378 rpm, διακοπτόμενη 472 rpm |
| Ισχύς: | σταθερή ισχύς 10,1 kW, διακοπτόμενη 12,1 kW |
| Ροπή: | σταθερή ροπή 31,3 daNm, διακοπτόμενη 37,8 daNm, max. 43,8 daNm |
| Πίεση εισόδου: | σταθερή πίεση 175 bar, διακοπτόμενη 200 bar, max. 225 bar |
| Πτώση πίεσης: | σταθερή πίεση 140 bar, διακοπτόμενη 175 bar, max. 225 bar |
| Ροή λαδιού: | σταθερή ροή 60 L/min, διακοπτόμενη 75 L/min |
| Διάμετρος άξονα: | 25 mm |
| Σπείρωμα σύνδεσης: | 1/2" |
Περιγραφή
Οι υδραυλικοί κινητήρες MP είναι αξιόπιστοι και συμπαγείς, σχεδιασμένοι για χρήση σε διάφορα υδραυλικά συστήματα όπου απαιτείται υψηλή απόδοση και μεγάλη διάρκεια ζωής. Χαρακτηρίζονται από στιβαρή κατασκευή, ακριβή κατασκευή και εξαιρετική αντοχή σε βαριά φορτία.
Είναι κατάλληλοι για χρήση σε γεωργικά, δασικά και βιομηχανικά μηχανήματα, προσφέροντας αξιόπιστη μετάδοση ισχύος και σταθερή ροπή σε διαφορετικές ταχύτητες περιστροφής.
Κύρια πλεονεκτήματα των υδραυλικών κινητήρων MP:
- υψηλή απόδοση και ακριβής λειτουργία
- στιβαρή κατασκευή και μεγάλη διάρκεια ζωής
- κατάλληλοι για απαιτητικές συνθήκες εργασίας
- ευρεία γκάμα μεγεθών
Εφαρμογές: υδραυλικά βαρούλκα, σχιστήρες ξύλου, μεταφορικές ταινίες και ως κινητήρας για γεωργικά και δασικά παρελκόμενα.

| L | L1 | |
| (mm) | ||
| MP 40 | 136,5 | 7,4 |
| MP 50 | 135,5 | 6,67 |
| MP 80 | 139,5 | 10,67 |
| MP 100 | 142 | 13,33 |
| MP 125 | 145,5 | 16,67 |
| MP 160 | 150 | 21,33 |
| MP 200 | 155,5 | 26,67 |
| MP 250 | 162 | 33,33 |
| MP 315 | 171,5 | 42,67 |
| MP 400 | 182 | 53,33 |












