Νέα προϊόντα
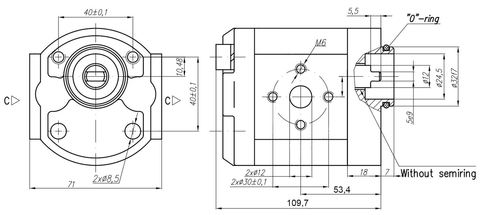
ΥΔΡΑΥΛΙΚΗ ΑΝΤΛΙΑ 10C8X179 GR.1 - 8cc - ΔΕΞΙΑ
| Τεχνικές πληροφορίες | |
| Προμηθευτής: | Τουρκία |
| Επιστροφή ή ανταλλαγή: | Μη εφικτό |
| Εγγύηση: | 6 μήνες |
| Μοντέλο: | 10C8X179 |
| Κατεύθυνση περιστροφής: | Δεξιόστροφη (C) |
| Μετατόπιση: | 8 cm3/στροφή |
| Μέγεθος: | GR.1 |
| Ταχύτητα: | μέγ. 2000 rpm |
| Σύνδεση/νήμα σύνδεσης: |
Είσοδος (M = M22x1,5, G = G 1/2", UNF = 7/8"-14 UNF), έξοδος (M = M18x1,5, G = G 3/8", UNF = 3/4"-16 UNF) |
| Ονομαστική πίεση: | 150 bar |
| Ροή: | 11,4 l/min στα 1500 rpm και 15,2 l/min στη μέγιστη ταχύτητα |
Περιγραφή
Οι υδραυλικές αντλίες είναι βασικό στοιχείο κάθε υδραυλικού συστήματος, καθώς μετατρέπουν την μηχανική ενέργεια σε υδραυλική ενέργεια. Χρησιμοποιούνται σε πολλές εφαρμογές όπως γεωργικά μηχανήματα, εξοπλισμό κατασκευών, βιομηχανικές συσκευές και συστήματα μεταφοράς.
Στην προσφορά μας, θα βρείτε υδραυλικές αντλίες γραναζιών υψηλής ποιότητας σε διάφορα μεγέθη (GR), μετατοπίσεις και διαμορφώσεις, εξασφαλίζοντας αξιόπιστη λειτουργία, μακρά διάρκεια ζωής και εύκολη εγκατάσταση. Παρέχουν σταθερή ροή λαδιού, υψηλή απόδοση και ελάχιστες απώλειες, συμβάλλοντας στην βέλτιστη απόδοση ολόκληρου του συστήματος.
Διαστάσεις










