Uudet tuotteet
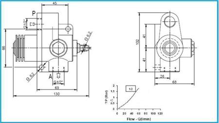
LOPPU KIPPIVENTTIILI TFC-TS-1/2 - NORMAALISTI AUKI
Tuotekoodi:
10540
OEM:
9990000004638
Verokanta
22 %
Hinta ilman ALV:tä:
73,77 EUR
Hinta ALV:n kanssa:
90,00 EUR
Ref:
7
Toimittaja:
Italia
Palautus tai vaihto:
14 päivää
Takuu:
6 kuukautta
Maks. virtaus:
80 litraa/min
max. paine:
350 bar
toiminta:
neutraalissa asennossa venttiili sallii öljyn kulkea







