Uudet tuotteet
HYDRAULINEN VENTTIILI MONOBLOKKI 2xZ80 + 1x JOYSTICK
Yleiskuvaus:
Manuaalinen tai mekaaninen hydrauliventtiili Р80 on suunniteltu työvirran jakamiseen ja hallintaan hydraulipumpun ja kuluttajien (sylinterit, hydraulimoottorit…) välillä.
Hydrauliventtiilejä käytetään erilaisiin tarkoituksiin maataloudessa, teollisuudessa, rakentamisessa jne. hallitsemaan:
- yksitoimisia sylintereitä
- kaksitoimisia sylintereitä
- hydraulimoottoreita
- kelluvia toimintoja (auralle)
- joystiksejä (ylös-alas, vasen-oikea)
Ne kootaan 1-6 vivun lohkoon.
Käyttö:
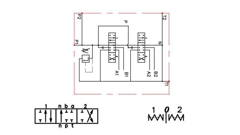
Kaikki hydrauliventtiilit on varustettu turvaventtiilillä. Neutraalissa asennossa (vipu keskellä) öljy kiertää venttiilin läpi. Kun vipua siirretään toiselle puolelle, hydrauliventtiili saa sylinterin liikkumaan tai hydraulimoottorin pyörimään yhteen suuntaan tai toiseen. Vapautettaessa vipu se palautuu automaattisesti neutraaliin asentoon, hydraulimoottori tai sylinteri pysähtyy nykyiseen asentoon, ja öljy kiertää jälleen venttiilin läpi. On mahdollista käyttää niin sanottua 'suljettua keskusta' elementtiä, joka muuttaa venttiiliä siten, että neutraalissa asennossa öljy ei kierrä venttiilin läpi tai tällainen venttiili ei enää vuoda. Kun käytetään tai liitetään muita venttiilejä, on tarpeen käyttää 'carry over' elementtiä, joka mahdollistaa öljyn syötön myös muille venttiileille.
Kelluvia toimintoja varten tarkoitetuissa venttiileissä on spindelit, jotka sallivat sylinterin vapaan öljyvirran, mikä tarkoittaa, että sylinteri liikkuu vapaasti (tai lumiaura mukautuu maastoon).
Yksitoimisia sylintereitä varten tarkoitetut venttiilit on tarkoitettu yksitoimisille sylintereille.
Rakenteet:
Р80 on monoblock-jakoventtiili. Se on valmistettu valuraudasta EN-GJL300. Spindelit on valmistettu hiiliteräksestä ja ne on kovakromattu.
Liitännät:
Spindeli on kiinnitetty kahdella M8 ruuvilla.











