Uued tooted
NURK KÄIGUKAST T-310J 1:3 (30HP-22KW)
Toote kood:
100138
OEM:
9990000024698
Maksumäär
22 %
Hind ilma KM-ta:
204,92 EUR
Hind koos KM-ga:
250,00 EUR
Ref:
9
Tagastamine või vahetamine:
14 päeva
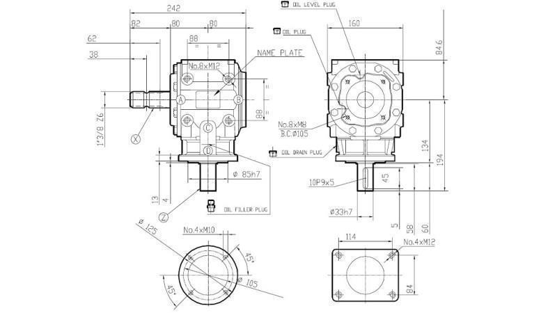
reduktsiooni pöörlemine:
parem
tootja kood:
9.310.875.00
Koormus:
30 HP (22.0 kW)
väljundvõll:
võll 33 mm
reduktsiooni tüüp:
T-310J (nurgatransmissioon)
määrde:
õli SAE 90 0.8 liitrit tuleb reduktorisse lisada.
sisendvõll:
kardaan (1”3/8 – 6 hammast)




.jpg)



