Uued tooted
ERC04 KÄIGUKAST ELEKTRIMOOTORILE MS100 (2.2-3-4KW) SUHTEGA 25:1
Kirjeldus:
ERC käigukastid on mõeldud kasutamiseks koos elektrimootoritega. ERC käigukastid on loodud modulaarsüsteemi alusel. Saame ühendada erinevat tüüpi mootoreid (klassikalised, sagedus, pidurid ...). Seda kasutatakse rakendustes nagu ehitus, toiduainetööstus (lihamasinad ...), ajamisihikud (rullikud jne) ja palju muud.
Käigukast vähendab elektrimootori pöördeid soovitud väärtuseni, millega soovime töötada. Käigukastidel on suhe 25:1.
Käigukasti paigaldamisel veenduge alati, et:
- tähise andmed vastavad tellitud eseme andmetele
- korpus ja teljed on puhtad ja kahjustamata
- pind, millele käigukast on kinnitatud, on tasane ja piisavalt tugev
- käigukast ja elektrimootori telg sobivad hästi
- kui on võimalus vibratsioonide või ummistuste tekkeks, tuleb paigaldada pöördemomendi piiraja
- pöörlevad osad on kaetud plastkatetega
- välitingimustes kasutatav seade peab olema piisavalt ilmastikukindel
- töökeskkond ei põhjusta korrosiooni (kui ei ole eelnevalt kokku lepitud ja käigukast ning elektrimootor on korralikult ette valmistatud)
- hammasrataste, telgede hammasrataste, sisendi/väljundi telgede kinnitamine on korralikult tagatud, et need ei saaks radiaalset või aksiaalset koormust, mis ületab maksimaalse lubatud piiri
- kõik ühendused on kaetud korrosioonivastase materjaliga, et vältida oksüdeerumist kokkupuutel
- kõik kinnituskruvid peavad olema kindlalt kinni keeratud
- ärge pingutage korpuse jalgu ja paigaldusflange üksteise vastu ning veenduge, et järgite lubatud radiaalset ja aksiaalset koormust.
- Enne käivitamist kontrollige paigaldatud asendi soovitatud õlitaset. Õli kontrolli ja tühjenduspolt ning ventiil on kergesti ligipääsetavad.
- Ärge lööge rihmade, ühenduste, hammasrataste jne otsa vasaraga. See kahjustab laagrit, korpust ja telge
Kõik arvutused põhinevad elektrimootoritel, mille pöörded on 1400. Kui kasutate elektrimootorit, mille pöörded on erinevad kui 1400 pöörde minutis, jagage sisendpöörded käigukasti suhtega, et saada väljundpöörded.
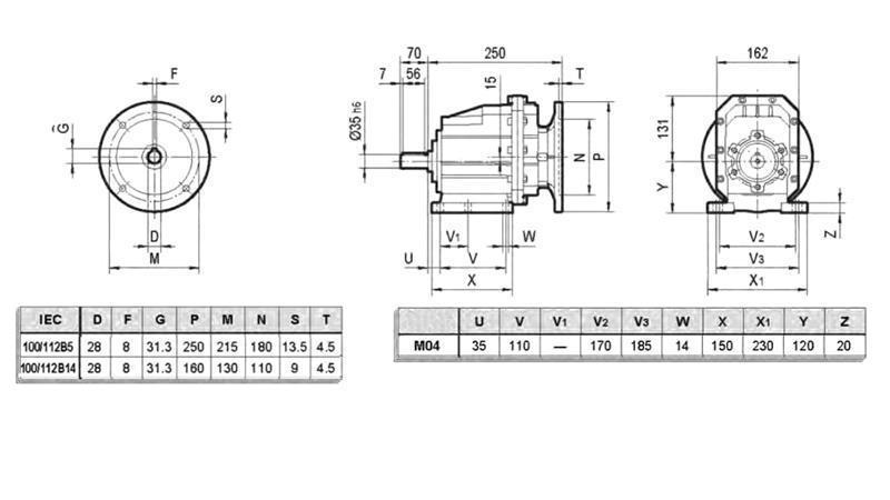
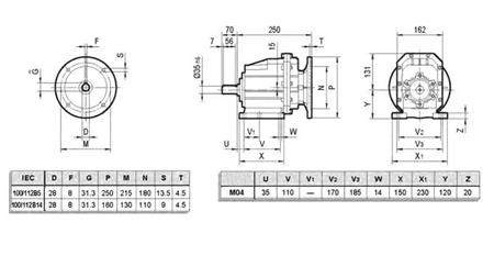
Rohkem tehnilisi andmeid leiate lisast 'MÕÕTMED - ANDMELEHT'.



%20RAZMERJE%2025proti1.jpg)
%20RAZMERJE%2025proti1.jpg)
%20RAZMERJE%2025proti1.jpg)


